J48W法兰式针型阀设计选型 本发明结构简单,重量轻盈,便于携带,阀体本体为碳钢结构,可塑性强。以上实施方式对本发明进行了详细说明,但所述内容仅为本发明的较佳实施例,不能被认为用于限定本发明的实施范围。凡依本发明申请范围所作的均等变化与改进等,均应仍归属于本发明的涵盖范围之内。法兰针型阀整体采用锻体,连接形式为法兰连接,锥面阀瓣密封,阀座通口的变化是与阀瓣行程成正比例关系。由于该阀的阀杆开启或关闭行程相对较短,而且具有可靠的切断功能,也适合于对流量的调节,适用于水、液体、蒸汽、油品等介质,广泛应用于化工、电力、冶金等仪表测量管路系统。
法兰针型阀安装图、解决方案、工作原理,派司克展示不锈钢法兰式针型阀规格型号、设计制造标准、结构尺寸表、使用说明书。可订制美标、欧标、德标、日标等出口标准;打造高品质、高性能、高标准、高寿命、系列产品。
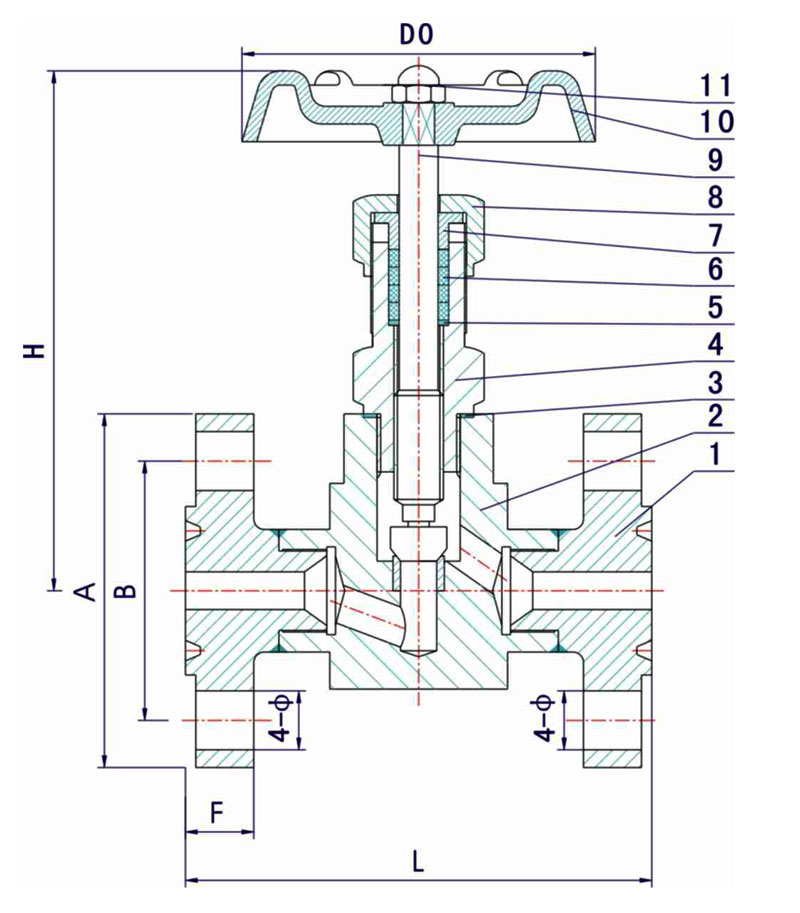
主要包括阀体本体、开启手轮、三通中间接头、不锈钢管和法兰盘,其特征在于:所述开启手轮底端设有三通中间接头,所述三通中间接头上端与开启手轮底端固定连接; 
J48W法兰式针型阀设计选型产品特点 1、设计扭矩低,即轻便有易于操作。 2、所有主要元件的原材料都是可以追溯的。 3、PTFE或柔性石墨密封压力装置,阀杆操作时无泄漏。 4、具有结构小巧、外型美观、使用灵活、连接紧固、密封性能良好。 5、安装拆卸方便、连接紧固、有利于防火、防爆和耐压能力高、密封性能良好。 法兰式针型阀主要零件材料: 零件名称 | 阀体 | 阀杆 | 阀底座 | 填料 | 填料阀盖 | 手轮 | J48H-16 | 碳钢 | 铬不锈钢 | 聚四氟乙稀 柔性石墨 | 碳钢 | 优质碳钢 | J48W-25P | 铬镍不锈钢 | 铬不锈钢 | 铬镍不锈钢 | 不锈钢 |

J48W法兰式针型阀设计选型主要性能规范: 型号 | 公称压力(Mpa) | 公称直径DN(mm) | 尺寸(mm) | 阀体材料 | 工作温度(℃) | 适用介质 | 重量(kg) | L | d | H | Do | J48W-16P | 1.6 | 10 | 118 | 8 | 100 | 80 | 1Cr18Ni9Ti | 450 | 水,蒸汽,碱,酸 | 3.2 | J48W-16P | 1.6 | 15 | 118 | 10 | 130 | 100 | 1Cr18Ni9Ti | 450 | 水,蒸汽,碱,酸 | 3.75 | J48W-16P | 1.6 | 20 | 128 | 14 | 150 | 140 | 1Cr18Ni9Ti | 450 | 水,蒸汽,碱,酸 | 5.5 | J48W-25P | 2.5 | 10 | 118 | 8 | 100 | 80 | 1Cr18Ni9Ti | 450 | 水,蒸汽,碱,酸 | 3.2 | J48W-25P | 2.5 | 15 | 118 | 10 | 130 | 100 | 1Cr18Ni9Ti | 450 | 水,蒸汽 | 3.75 | J48W-25P | 2.5 | 20 | 128 | 14 | 150 | 140 | 1Cr18Ni9Ti | 450 | 水,蒸汽 | 5.5 | J48H-10 | 1.0 | 10 | 118 | 8 | 100 | 80 | 碳钢 | 425 | 水,蒸汽 | 3.2 | J48H-10 | 1.0 | 15 | 118 | 10 | 130 | 100 | 碳钢 | 425 | 水,蒸汽 | 3.75 | J48H-10 | 1.0 | 20 | 128 | 14 | 150 | 140 | 碳钢 | 425 | 水,蒸汽 | 5.5 |

一种法兰式针型截止阀,主要包括阀体本体、开启手轮、三通中间接头、不锈钢管和法兰盘,其特征在于:所述开启手轮底端设有三通中间接头,所述三通中间接头上端与开启手轮底端固定连接;所述三通中间接头左右两端分别设有不锈钢管,所述不锈钢管与三通中间接头两端固定连接;所述两不锈钢管另一端分别设有一个法兰盘,所述两法兰盘分别与不锈钢管固定连接。 主要包括阀体本体、开启手轮、三通中间接头、不锈钢管和法兰盘,其特征在于:所述开启手轮底端设有三通中间接头,所述三通中间接头上端与开启手轮底端固定连接; 
一种法兰式针型截止阀,其特征在于:所述开启手轮与三通中间接头内螺纹连接。一种法兰式针型截止阀,其特征在于:所述法兰盘与不锈钢管内螺纹连接。密封性良好,一般用于较小流量,较高压力的气体或液体(如蒸汽、油品)介质的密封。该针型阀种类一般分为普通截止阀、针型截止阀、角式针型阀、仪表针型阀、波纹管针型阀、阀组等。针型截止阀的密封性良好,使用寿命长,即使密封面损坏后,也只需要更换易损零件,即可继续使用。 |