医药中间体储罐氮封装置安装布置 当储罐进液阀开启,向罐内添加物料时,液面上升,气相部分容积减小,压力升高,当罐内压力升至高于泄氮装置压力设定值时,泄氮装置打开,向外界释放氮气。使罐内压力下降,降至泄氮压力设定点时,泄氮装置自动关闭。塑料PE化工储罐指的是无焊缝塑料(聚乙烯)储运设备系列为储罐三大系列之一,其生产工艺为:滚塑成型工艺,又称旋转成型、旋转浇铸成型,是一种热塑性塑料中空成型方法。 
由于滚塑的转速不高,产品几乎无内应力,不会发生变形,凹陷等缺点,产品表面平整、光滑。可以耐受更高的压力,在很多高压场合广泛使用,同时不锈钢储罐有个很显著的特点:罐体密封性能优异,杜绝了空气中有害物质和蚊虫的侵入,确保罐内存放的液体不会受到外界污染,不会滋生红虫,因此不锈钢储罐大多用来储运食品,药品,并广泛的用于酿酒业和乳业。目前医药行业的竞争激烈,对于医药行业的水质最为基本要求就是水达到无菌标准,而在医药的生产过程中、研制、实验室等对于水质的要求是不一样的,所以在医药行业中的超纯水设备可以选择制药纯化水设备。制药纯化水设备由原水罐、中间水储罐、RO膜、EDI、纯化水储罐等组件组成,对于不同的水质要求,制药纯化水设备可采用一级RO、二级RO、EDI以及混床等水处理工艺。 
医药中间体储罐氮封装置安装布置制药纯化水设备优势: 1、纯水设备的结构设计简单、设备容易拆迁组装; 2、整个水处理设备由不锈钢材质组成,能起到能耐腐蚀、防生锈、容易清洗灭菌等; 3、设备中的原水罐、中间水储罐、RO膜、EDI等组件可实现自动化冲洗,工作效率高; 4、设备的部分重要组件采用的是进口装置的,使用寿命长; 5、设备可处理工艺多种,可根据客户要求的水质出水; 该设备装有在线监控,如果水质一旦达不到要求,会以警报的形式提醒,该设备可用于医药行业中的医药、器械、口服液、成品药、生物制剂等生产。 
医药中间体储罐氮封装置安装布置特点 ·无需外加能源,能在无电、无气的场合工作,既方便,又节约能源,降低成本; ·氮封装置供氮、泄氮压力设定方便,可在连续生产的条件下进行; ·压力检测膜片有效面积大,设定弹簧刚度小,动作灵敏,装置工作平稳; ·采用无填料设计,阀杆所受磨擦力小,反应迅速,控制精度高; ·供氮装置采用指挥器操作,减压比可达100:1,减压效果好,控制精度高; ·为确保储罐的安全,需在罐顶设置呼吸阀; ·呼吸阀仅起安全作用,避免了常规氮封装置中启闭频繁易损坏的缺陷。 
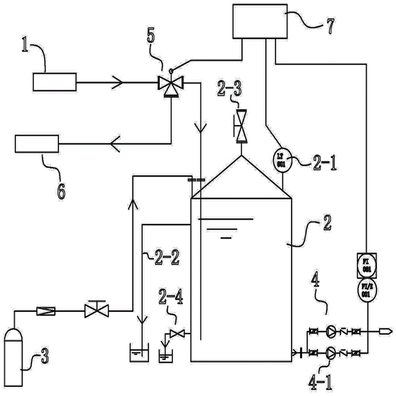
医药中间体储罐氮封装置安装布置 在储罐上设置氮封系统,维持罐内气相空间压力在2.5KPa左右,当气相空间压力高于2.5KPa时,氮封阀关闭,停止氮气供应;当气相空间压力低于2.5KPa时,氮封阀开启,开始补充氮气,保证储罐在正常运行过程中不吸进空气,防止空气中的尘埃、CO2等污染物进入DI水中形成二次污染。 1)在每台储罐上设置先导式氮封阀组和溢流水封箱,正常情况下使用氮封阀组维持罐内气相空间压力在2.5KPa左右,当气相空间压力高于2.5KPa时,氮封阀关闭,停止氮气供应;当气相空间压力低于2.5KPa时,氮封阀开启,开始补充氮气。 2)当氮封阀需要检修或故障时: 在负压低于-0.85Kpa时,溢流管水封箱从防负压口吸入空气,防止负压过高导致水箱吸扁;在压力高于3KPa时,通过溢流管水封箱的溢出口外排多余的氮气,防止水箱膨胀破裂,以防止事故扩大。 3)当DI水箱液位器需要检修或故障时: 如DI水箱的液位器出现异常时,水箱满水通过溢流管水封箱的溢出口外排多余的水,防止水箱膨胀破裂,以防止事故扩大。 
2 医药中间体储罐氮封装置安装布置安装布置 1)氮封阀、调压阀及压力表的安装位置宜安装于标高1.0m左右,便于日常维护。气体流量计的安装位置宜安装于标高1.5m左右,便于日常观察。 2)罐顶氮气接口的开口方位宜位于罐顶中心部位,氮气管道在氮封阀之前采用SS304洁净管,之后采用UPVC洁净管。 3)溢流管水封箱就地安装,其相应的底部溢出口接管尽可能的排至室外或通风的地方,防止室内氮气浓度过高。 
医药中间体储罐厂家,医药化学品储液罐,化工中间体储罐厂家塑料PE化工储罐特性及用途: 1.塑料PE储罐为一次成型、无焊缝、工艺完整。容器内外光滑、造型美观、无毒、无味、耐酸碱、耐高温(80℃以下)、耐冷冻(-40℃)。2. PE化工储罐系列的规格型号从250L-500L-1000L-2立方-3000L-5方-6000L—8吨-10立方-15吨-20000L-25方-30立方-40立方-50立方等。 |