开关型电动通风蝶阀安装细节 调节型电动通风蝶阀安装细节 电动高温通风蝶阀安装细节 开关型电动通风零泄露蝶阀安装细节 开关型电动通风蝶阀 电动高温通风蝶阀 电动蝶阀安装 之前介绍组合式减压阀在国华惠州热电应用,现在介绍开关型电动通风蝶阀安装细节通风蝶阀是用于冶金,化工,环保等行业通风烟气管道中使用介质为烟气,粉尘,空气等介质使用的阀门。具有结构轻便灵活,流通量大,操作省力,耐温高,应用广等特点。是近年来在管道控制中得到广泛应用的阀门。通风蝶阀在安装使用时应注意以下要点:电动通风蝶阀应用于化工、建材、电站、玻璃等行业中的通风、环保工程的含尘冷风或热风气体管道中,作为气体介质调节流量或切断的管道控制装置。作为气体介质调节流量或切断的管道控制装置。本类阀门在管道中一般应当水平安装。通风蝶阀在安装以前就需要仔细的检查。通风蝶阀在还没有安装使用的阀门应存放在干燥的室内。储藏时间较长的阀门,要定期清洗,吹干、涂防锈油。阀门两端应用盲板保护法兰密封面。 电动通风蝶阀与管道的连接螺栓,在安装的时候需要多拧几次才能保证拧紧,以免造成法兰连接处泄漏。通风蝶阀安装时,应以蝶板处于关闭位置为宜,防止杂物进入阀腔搓伤密封面,用户要试压时,切要两端用法兰对夹装好后进行试压。 后再需要检查一下并检查指示盘方向与阀门开启方向是否一致,以保证使用的安全。 电动蝶阀是由电动执行机构和蝶阀组成,因此它具有蝶阀操作简单、结构简单等优点,同时也广泛应用于化工、制药等行业。而且由于电动执行器的执行,使蝶阀的发展处于一个新的水平。电动蝶阀的工作原理:通过电动装置带动阀杆,使蝶板产生90度旋转运动,实现阀门的启闭。 电动执行机构的原理很简单,就像日常使用的刮胡刀一样是电能源,电源带动阀板的操作,从而实现阀门的启闭和流体的流动或切断。电动阀门的电动执行机构可以分为开关型和调节开关电器开关阀门发挥作用;调整电动蝶阀就是起到调节流量的作用,流量可以调整到一千换档阀是一个相对高的价格。阀门作为安装在管道上的装置,如果检查其开关状态似乎并不现实,那么存在反馈信号。调整类型本身带有反馈信号,而开关型则可根据客户的具体需要选择是否安装反馈信号。  开关型电动通风蝶阀安装细节产品特点
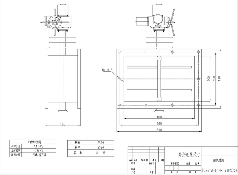
1、采用中线式碟板与短结构钢板焊接的新型结构形式设计制造的,结构紧凑、重量轻、便于安装、流阻小、流通量大,避免高温膨胀的影响,操作轻便 2、内无连杆、螺栓等、工作可靠、使用寿命长。可以多工位安装,不受介质流向影响 一、用途: 本蝶阀是一种非密闭型蝶阀,广泛适用于建材、冶金、矿山、电力等生产过程种介质温度≤300℃公称压力为0.1Mpa的管道上,用以连通、启闭或调节介质量。 
二、结构特点: 必一体育bsport主营阀门有:减压阀(组合式减压阀,可调式减压阀,自力式减压阀本蝶阀系采用中线式碟板与短结构钢板焊接的新型结构形式设计制造的,结构紧凑、重量轻、便于安装、流阻小、流通量大,避免高温膨胀的影响,操作轻便。体内无连杆、螺栓等、工作可靠、使用寿命长。可以多工位安装,不受介质流向影响。 三、工作原理: 本蝶阀由电动机带动驱动执行机构,使碟板在90°范围内自由转动以达到启闭或调节介质流量的目的。 1、首先在安装时应先确认厂家的铭牌,合格证所标示材质,压力,使用条件等是否与工况相符,核实无误方可进行安装。 2、安装时应保持阀门处于关闭状态,防止碰撞,并保持法兰密封面清洁。 3、安装连接时蝶阀法兰与管道法兰应加金属密封垫片,连接螺栓应对角均匀拧紧以免影密封效果。 4、安装气动,电动等带自控驱动装置的通风蝶阀时,应参阅相应产品说明书正确的接线注意接反,并通电测试后方可投入使用。 5、在使用时,如发现故障,应立即断电并停止使用,如不能解决,可厂家售后技术人员处理。 
主要技术参数 设计标准 1、设计标准:GB/T12238-1989 JB/T8692-1998 2、连接尺寸:GB/T9115.1-2000 3、结构长度:hGB/T12221-1989 4、压力试验:GB/T13927-1992;JB/T9092-1999 主要型号参数 公称通径(DN):(mm) 150~3200(mm) 公称压力 (PN) :0.25(Mpa) 压力测试: .375(Mpa) 密封测试 :≤1%泄漏量 适用介质: 烟气、粉尘等 适用温度 :-20至650度 
自从我们对通风蝶阀有了全新的认识之后,大家慢慢开始感受到了当前在通风蝶阀的改进形式上理应获得怎样的了解。具体我们需要怎样去应用好通风蝶阀呢?如果我们从的角度找到与通风蝶阀相关的信息,大家也能够发现并且感受到整个通风蝶阀系列产品工具到底有着怎样的功能性展示。
从整个通风工具架构当中来看,我们所使用到的通风蝶阀工具还能被怎样地改进呢?蝶阀工具主要是用在阀门开关等方面,而通风蝶阀的作用显而易见,就是用在整体的通风应用上来。无论从通风蝶阀的整体应用来看,还是从的功能性应用来看,的通风蝶阀自然有其得以被改进的地方。所有好用的工具其实都是从小工具演变而来的。重新认识通风蝶阀工具的改进,这对于大众来说都是一种切实的需求。 
从稳定稳步发展的通风蝶阀工具改进应用架构可见,对未来的所有通风蝶阀功效有提升效用的都是一些能对我们当前的日常生活产生实质性影响的通风性质工具。以人们对于通风蝶阀工具的初认识来看,改进一类工具需要的往往是实际使用规划的体验。实际的使用体验有哪些不好的地方,我们就要对通风蝶阀进行系统性的改进。唯有改进,一切皆有理想的可能性。通风蝶阀的改进措施可以是明确的,从整体的通风应用需求来看,通风蝶阀的层层升级则也是尤为必要的。与本产品相关论文:200X先导隔膜式水用减压阀安装要求 |